В наличии
Цена: по запросу
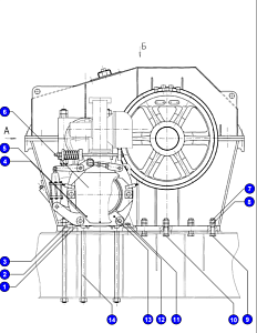
№ детали на рисунке: 17
В наличии
Цена: по запросу
№ чертежа
44.51550СБ
В наличии
Цена: по запросу
В наличии
Цена: по запросу
В наличии
Цена: по запросу
В наличии
Цена: по запросу
Нужна консультация?
Наши специалисты ответят на любой интересующий вопрос
