Цена: по запросу
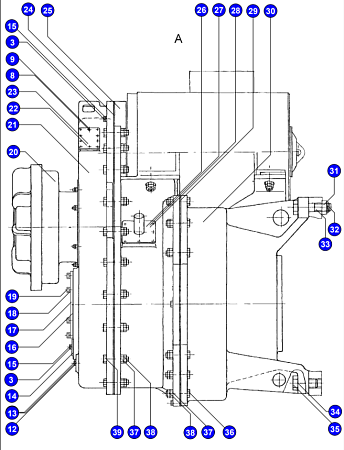
№ детали на рисунке: 20
В наличии
Тормоз дисковый 3572.05.13.000
Цена: по запросу
Заказать товар
Масса, кг
№ чертежа
575
3572.05.13.000
Условия доставки запчастей
Часто ищут
В наличии
Цена: по запросу
В наличии
Цена: по запросу
В наличии
Цена: по запросу
Нужна консультация?
Наши специалисты ответят на любой интересующий вопрос
Задать вопрос
