В наличии
Цена: по запросу
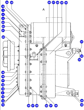
№ детали на рисунке: 13
В наличии
Цена: по запросу
Масса, кг
№ чертежа
0.003
1.2773.015
В наличии
Цена: по запросу
В наличии
Цена: по запросу
В наличии
Цена: по запросу
В наличии
Цена: по запросу
Нужна консультация?
Наши специалисты ответят на любой интересующий вопрос
