В наличии
Цена: по запросу
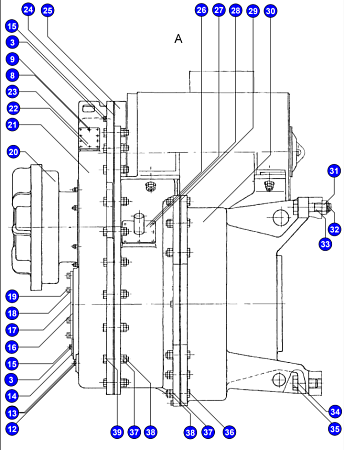
№ детали на рисунке: 21
В наличии
Цена: по запросу
Масса, кг
№ чертежа
775
3572.05.10.500
В наличии
Цена: по запросу
В наличии
Цена: по запросу
В наличии
Цена: по запросу
В наличии
Цена: по запросу
Нужна консультация?
Наши специалисты ответят на любой интересующий вопрос
