Цена: по запросу
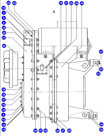
№ детали на рисунке: 17
В наличии
Крышка 3544.15.00.012
Цена: по запросу
Заказать товар
Масса, кг
№ чертежа
14.4
3544.15.00.012
Условия доставки запчастей
Часто ищут
В наличии
Цена: по запросу
В наличии
Цена: по запросу
В наличии
Цена: по запросу
Нужна консультация?
Наши специалисты ответят на любой интересующий вопрос
Задать вопрос
