Цена: по запросу
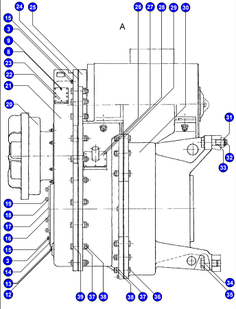
№ детали на рисунке: 33
В наличии
Болт м42-6gх200.46 ГОСТ 7796-69 1.1022.730
Цена: по запросу
Заказать товар
Масса, кг
№ чертежа
2.679
1.1022.730
Условия доставки запчастей
Часто ищут
В наличии
Цена: по запросу
В наличии
Цена: по запросу
Цена: по запросу
Нужна консультация?
Наши специалисты ответят на любой интересующий вопрос
Задать вопрос
