В наличии
Цена: по запросу
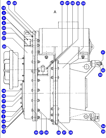
№ детали на рисунке: 39
В наличии
Цена: по запросу
Масса, кг
№ чертежа
0.891
1.1022.704
В наличии
Цена: по запросу
В наличии
Цена: по запросу
В наличии
Цена: по запросу
В наличии
Цена: по запросу
Нужна консультация?
Наши специалисты ответят на любой интересующий вопрос
