В наличии
Цена: по запросу
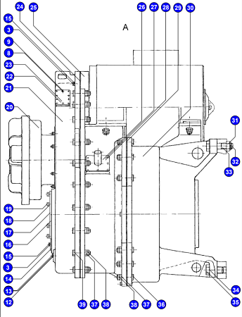
№ детали на рисунке: 35
В наличии
Цена: по запросу
Масса, кг
№ чертежа
1.699
1.1053.521
В наличии
Цена: по запросу
В наличии
Цена: по запросу
В наличии
Цена: по запросу
В наличии
Цена: по запросу
Нужна консультация?
Наши специалисты ответят на любой интересующий вопрос
