В наличии
Цена: по запросу
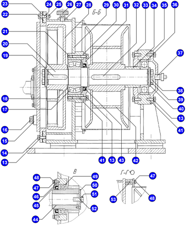
№ детали на рисунке: 42
В наличии
Цена: по запросу
Масса, кг
№ чертежа
13
3536.04.01.250
В наличии
Цена: по запросу
В наличии
Цена: по запросу
В наличии
Цена: по запросу
В наличии
Цена: по запросу
Нужна консультация?
Наши специалисты ответят на любой интересующий вопрос
