Цена: по запросу
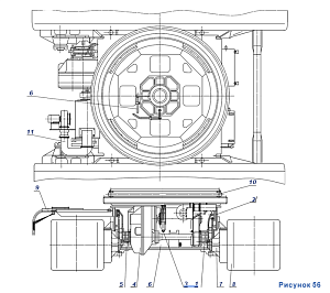
№ детали на рисунке: 60
В наличии
Болт 2ам48-6gх170.56 ГОСТ 7817-79 1.1058.553
Цена: по запросу
Заказать товар
Масса, кг
№ чертежа
3.122
1.1058.553
Условия доставки запчастей
Часто ищут
В наличии
Цена: по запросу
В наличии
Цена: по запросу
В наличии
Цена: по запросу
Нужна консультация?
Наши специалисты ответят на любой интересующий вопрос
Задать вопрос
