В наличии
Цена: по запросу
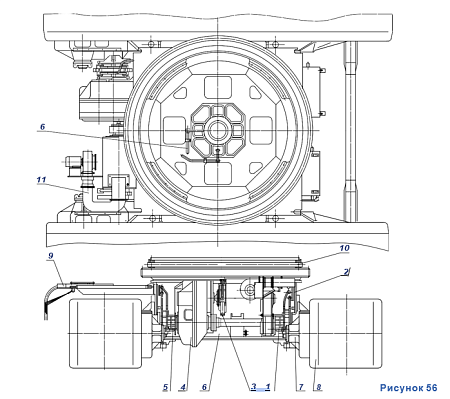
№ детали на рисунке: 8
В наличии
Цена: по запросу
Кол-во на сборочную единицу
Масса, кг
№ чертежа
2
7823
1085.38.00CБ
В наличии
Цена: по запросу
В наличии
Цена: по запросу
В наличии
Цена: по запросу
В наличии
Цена: по запросу
Нужна консультация?
Наши специалисты ответят на любой интересующий вопрос
