В наличии
Цена: по запросу
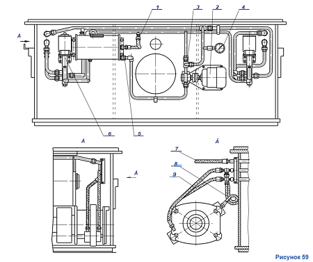
№ детали на рисунке: 6
В наличии
Цена: по запросу
Кол-во на сборочную единицу
Масса, кг
№ чертежа
2
7.4
1001.14.136CБ
В наличии
Цена: по запросу
В наличии
Цена: по запросу
В наличии
Цена: по запросу
В наличии
Цена: по запросу
Нужна консультация?
Наши специалисты ответят на любой интересующий вопрос
