В наличии
Цена: по запросу
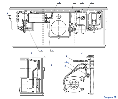
№ детали на рисунке: 2
В наличии
Цена: по запросу
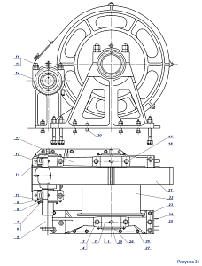
Кол-во на сборочную единицу
Масса, кг
№ чертежа
1
89
9107.88.00-1
В наличии
Цена: по запросу
В наличии
Цена: по запросу
В наличии
Цена: по запросу
В наличии
Цена: по запросу
Нужна консультация?
Наши специалисты ответят на любой интересующий вопрос
