В наличии
Цена: по запросу
В наличии
Цена: по запросу
В наличии
Цена: по запросу
В наличии
Цена: по запросу
В наличии
Цена: по запросу
В наличии
Цена: по запросу
В наличии
Цена: по запросу
В наличии
Цена: по запросу
В наличии
Цена: по запросу
В наличии
Цена: по запросу
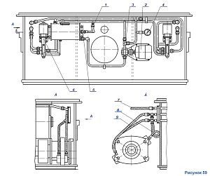
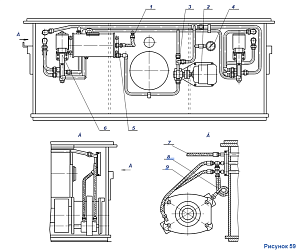
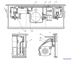
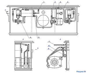
Гидравлическая система ходовой тележки экскаватора ЭКГ-5А предназначена для управления механизмом натяжения гусеничных цепей. Она состоит из насоса, гидроцилиндров, рукавов высокого давления (РВД) и управляющих клапанов.
АО ГК "АВИТЕКС" поставляет все необходимые компоненты для сборки и ремонта этой системы. Мы предлагаем надежные насосы, гидроцилиндры, а также маслостойкие РВД, способные выдерживать высокое давление.
Исправная гидравлическая система позволяет быстро и точно регулировать натяжение гусениц. Это влияет на ресурс ходовой части. Обратитесь к нам, чтобы купить или заказать полный комплект оборудования.
