В наличии
Цена: по запросу
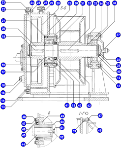
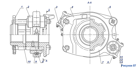
№ детали на рисунке: 4
В наличии
Цена: по запросу
Кол-во на сборочную единицу
Масса, кг
Марка стали
№ чертежа
1
71
Сталь 35Л
1080.30.02
В наличии
Цена: по запросу
В наличии
Цена: по запросу
В наличии
Цена: по запросу
В наличии
Цена: по запросу
Нужна консультация?
Наши специалисты ответят на любой интересующий вопрос
