В наличии
Цена: по запросу
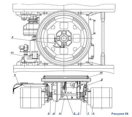
№ детали на рисунке: 1
В наличии
Цена: по запросу
Кол-во на сборочную единицу
Масса, кг
№ чертежа
1
303
1080.31.00-2 CБ
В наличии
Цена: по запросу
Цена: по запросу
Цена: по запросу
В наличии
Цена: по запросу
Нужна консультация?
Наши специалисты ответят на любой интересующий вопрос
