В наличии
Цена: по запросу
В наличии
Цена: по запросу
В наличии
Цена: по запросу
В наличии
Цена: по запросу
В наличии
Цена: по запросу
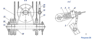
Обойма блока, установленная на двуногой стойке экскаватора ЭКГ-5А, является частью полиспастной системы стреловой лебедки. Этот узел направляет стреловой канат и обеспечивает выигрыш в силе, необходимый для удержания стрелы.
АО ГК "АВИТЕКС" производит обоймы блоков, рассчитанные на длительный срок службы. Корпусные детали изготавливаются из высокопрочных стальных отливок. Точная механическая обработка обеспечивает свободное вращение блока и минимизирует износ каната.
Износ или разрушение обоймы может привести к повреждению каната. У нас можно купить обойму блока для ЭКГ-5. Для уточнения цены и оформления заказа свяжитесь с нами.
