В наличии
Цена: по запросу
В наличии
Цена: по запросу
В наличии
Цена: по запросу
В наличии
Цена: по запросу
В наличии
Цена: по запросу
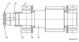
Ведущий вал привода барабана, или выходной вал редуктора, является финальным звеном в силовой передаче лебедки ЭКГ-5А. На этом валу установлена шестерня, которая приводит в движение барабан. Вал вращается с наименьшей скоростью, но передает максимальный крутящий момент.
АО ГК "АВИТЕКС" изготавливает ведущие валы из высокопрочных стальных поковок. Деталь проходит многоэтапную термообработку для предотвращения излома. Высокая точность обработки посадочных мест обеспечивает долгий срок службы узла.
Поломка ведущего вала — критическая неисправность. Чтобы купить или заказать ведущий вал для экскаватора ЭКГ-5, обратитесь к нам. Его стоимость можно уточнить у менеджеров.
