В наличии
Цена: по запросу
В наличии
Цена: по запросу
В наличии
Цена: по запросу
В наличии
Цена: по запросу
В наличии
Цена: по запросу
В наличии
Цена: по запросу
В наличии
Цена: по запросу
В наличии
Цена: по запросу
В наличии
Цена: по запросу
В наличии
Цена: по запросу
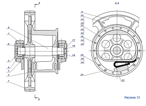
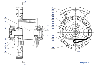
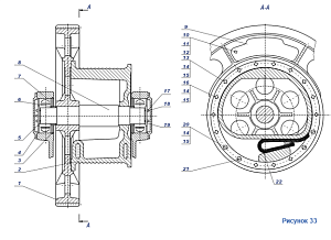
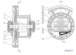
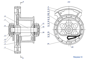
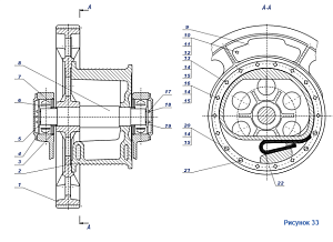
Вал барабана является центральной несущей осью, на которой установлен канатный барабан подъемной лебедки ЭКГ-5А. Этот крупногабаритный вал через подшипники передает на раму лебедки вес барабана, каната и груза. Он работает в условиях высоких изгибающих нагрузок.
На производственных мощностях АО ГК "АВИТЕКС" изготавливаются валы барабана, соответствующие КД. Мы используем сертифицированные стальные поковки. Финальная обработка обеспечивает высокую точность посадочных шеек.
Деформация или появление трещин в валу недопустимы. Мы поставляем надежные детали. Вы можете купить или заказать вал барабана для ЭКГ-5, уточнив его цену в отделе продаж.
