В наличии
Цена: по запросу
В наличии
Цена: по запросу
В наличии
Цена: по запросу
В наличии
Цена: по запросу
В наличии
Цена: по запросу
В наличии
Цена: по запросу
В наличии
Цена: по запросу
В наличии
Цена: по запросу
В наличии
Цена: по запросу
В наличии
Цена: по запросу
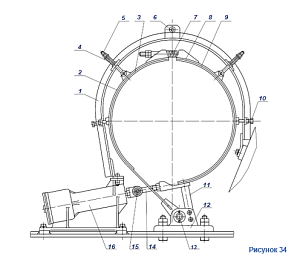
Тормоз подъемной лебедки экскаватора ЭКГ-5А — критически важный узел, обеспечивающий безопасность. Его основная функция — надежно удерживать ковш на весу. Как правило, используется постоянно замкнутый колодочный тормоз.
АО ГК "АВИТЕКС" производит и поставляет все компоненты для тормозных систем лебедок подъема. В нашем каталоге представлены тормозные шкивы, колодки, пружины, а также цилиндры. Все детали рассчитаны на высокие нагрузки.
Надежность тормозной системы напрямую влияет на безопасность. Своевременное обслуживание и использование качественных запчастей позволяют поддерживать тормоз в исправном состоянии. У нас можно купить и заказать все необходимое для тормоза привода барабана.
