В наличии
Цена: по запросу
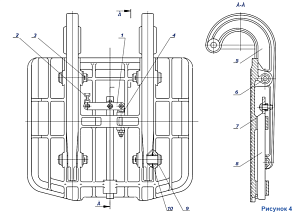
№ детали на рисунке: 17
В наличии
Цена: по запросу
Кол-во на сборочную единицу
Масса, кг
№ чертежа
2
0.31
1080.20.343-1
В наличии
Цена: по запросу
В наличии
Цена: по запросу
В наличии
Цена: по запросу
В наличии
Цена: по запросу
Нужна консультация?
Наши специалисты ответят на любой интересующий вопрос
