В наличии
Цена: по запросу
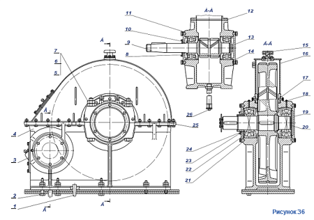
№ детали на рисунке: 16
В наличии
Цена: по запросу
Кол-во на сборочную единицу
Масса, кг
№ чертежа
1
145.00
1080.20.320-1CБ
В наличии
Цена: по запросу
В наличии
Цена: по запросу
В наличии
Цена: по запросу
В наличии
Цена: по запросу
Нужна консультация?
Наши специалисты ответят на любой интересующий вопрос
