В наличии
Цена: по запросу
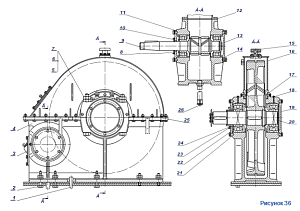
№ детали на рисунке: 10
В наличии
Цена: по запросу
Кол-во на сборочную единицу
Масса, кг
№ чертежа
1
0.81
0.11207-16
В наличии
Цена: по запросу
В наличии
Цена: по запросу
В наличии
Цена: по запросу
В наличии
Цена: по запросу
Нужна консультация?
Наши специалисты ответят на любой интересующий вопрос
