В наличии
Цена: по запросу
В наличии
Цена: по запросу
Масса, кг
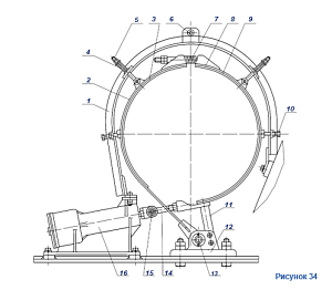
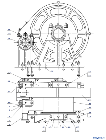
№ чертежа
7043
1085.20.400-1CБ
В наличии
Цена: по запросу
В наличии
Цена: по запросу
В наличии
Цена: по запросу
В наличии
Цена: по запросу
Нужна консультация?
Наши специалисты ответят на любой интересующий вопрос
