В наличии
Цена: по запросу
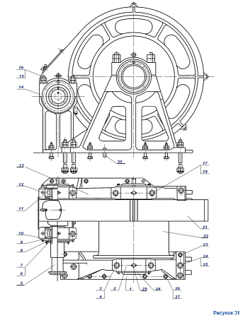
№ детали на рисунке: 14
В наличии
Цена: по запросу
Кол-во на сборочную единицу
Масса, кг
Марка стали
№ чертежа
1
62.0
Сталь 35Л
1080.20.433-1
В наличии
Цена: по запросу
В наличии
Цена: по запросу
В наличии
Цена: по запросу
В наличии
Цена: по запросу
Нужна консультация?
Наши специалисты ответят на любой интересующий вопрос
