Цена: по запросу
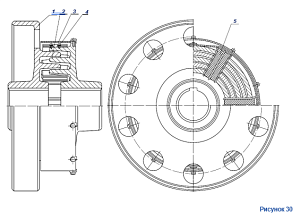
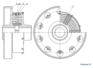
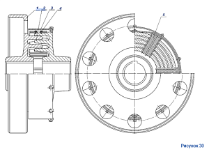
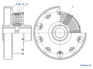
Муфта промежуточного вала
В наличии
Цена: по запросу
В наличии
Цена: по запросу
В наличии
Цена: по запросу
В наличии
Цена: по запросу
В наличии
Цена: по запросу
Муфта промежуточного вала в редукторе подъемной лебедки ЭКГ-5А служит для соединения валов и передачи крутящего момента между ступенями. В таких узлах применяются зубчатые муфты, способные передавать большие моменты и компенсировать смещения валов.
Наше предприятие "АВИТЕКС" изготавливает зубчатые муфты из высокопрочных легированных сталей с последующей термообработкой. Это обеспечивает высокую износостойкость и способность муфты выдерживать интенсивные нагрузки.
Износ зубьев муфты приводит к ударным нагрузкам в редукторе. Качество и точность изготовления влияют на ресурс. У нас можно заказать и купить муфту промежуточного вала для экскаватора ЭКГ-5.
