В наличии
Цена: по запросу
В наличии
Цена: по запросу
В наличии
Цена: по запросу
В наличии
Цена: по запросу
В наличии
Цена: по запросу
В наличии
Цена: по запросу
В наличии
Цена: по запросу
В наличии
Цена: по запросу
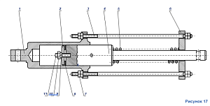
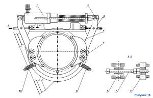
Тормоз напорного механизма экскаватора ЭКГ-5А — это исполнительное устройство, предназначенное для фиксации рукояти ковша в заданном положении. Он обеспечивает удержание рукояти при остановках и участвует в процессе торможения. Надежность тормоза напрямую влияет на точность и безопасность работы.
АО ГК "АВИТЕКС" производит и поставляет колодочные тормоза напора, а также все запасные части для их обслуживания. Мы изготавливаем тормозные колодки, цилиндры и рычаги из материалов, обладающих высоким коэффициентом трения и износостойкостью.
Неисправность тормоза может привести к потере контроля над рабочим оборудованием. У нас можно купить комплектующие для ремонта. Цена на тормоз напора ЭКГ-5 предоставляется по запросу.
