Цена: по запросу
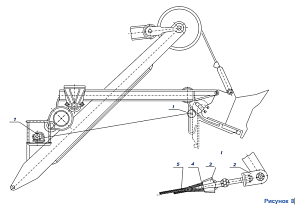
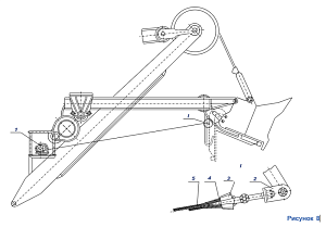
Механизм открывания днища ковша
Цена: по запросу
В наличии
Цена: по запросу
В наличии
Цена: по запросу
В наличии
Цена: по запросу
В наличии
Цена: по запросу
В наличии
Цена: по запросу
В наличии
Цена: по запросу
В наличии
Цена: по запросу
- 1
- 2
Механизм открывания днища ковша — это исполнительная система экскаватора ЭКГ-5А, обеспечивающая быструю разгрузку горной массы. Его надежная работа напрямую влияет на производительность машины. Механизм состоит из лебедки, системы канатов и рычагов, которые приводят в движение засов.
АО ГК "АВИТЕКС" имеет большой опыт в производстве и поставке всех компонентов этого ответственного узла. У нас можно заказать и купить лебедки открывания, засовы, оси и другие детали, рассчитанные на интенсивную эксплуатацию. Каждая деталь проходит строгий контроль качества.
Неисправности в механизме открывания приводят к простоям. Мы предлагаем комплексные поставки запчастей для проведения плановых и срочных ремонтов. Наши специалисты помогут подобрать все необходимые комплектующие для механизма открывания ковша ЭКГ-5.
